Pellistor Bead Chemical Sensors Market is Grow at a 4.5% CAGR and Anticipated to Reach USD 8.74 billion by 2035

Pellistor Bead Chemical Sensors Market

The pellistor bead chemical sensors Market report, unveiled by Future Market Insights—an ESOMAR Certified Market Research and Consulting Firm—presents invaluable insights and meticulous analysis of the pellistor bead chemical sensors market. Encompassing the research’s scope and essence, this report scrupulously examines the driving factors, market size, and predictive data for pellistor bead chemical sensors. It furnishes intricate revenue and shipment segmentations, accompanied by a decade-long projection up to 2035. Additionally, the document evaluates key industry players, their market distribution, the competitive scenario, and regional perspectives.

It is projected that the global market for pellistor bead chemical sensors would generate USD 5.56 billion by 2025. It is projected to reach a value of USD 8.74 billion by 2035, growing at a CAGR of 4.5% during the evaluation period.

Increased safety regulations and the expanding use of gas detection technologies in industries including utilities, petrochemicals, and oil and gas drove the steady growth of the global pellistor bead chemical sensors market in 2024. The addition of IoT-enabled pellistor sensors was one of the significant advancements, as it allowed for predictive maintenance and real-time gas monitoring, significantly increasing operating efficiency.

Obtain a Competitive Advantage in the Market: Access a Comprehensive Market Analysis and Stay Ahead of Industry Trends – Request Our Sample Now

Driving Factors

Advancements in Technology: The relentless march of technology remains one of the primary drivers of the pellistor bead chemical sensors industry. Pioneering research and development initiatives have led to the creation of cutting-edge sensor technologies that are not only highly sensitive but also remarkably selective in detecting a wide array of gases. This technological prowess enhances safety, reduces operational risks, and augments industrial processes, thus igniting the market’s growth.

Safety First: As industries worldwide prioritize safety measures, the demand for pellistor bead chemical sensors has witnessed an upsurge. These sensors are instrumental in detecting potentially hazardous gases, thereby mitigating risks and safeguarding human lives. In an era marked by stringent safety regulations, businesses across sectors are investing in advanced sensor technologies, stimulating market expansion.

Environmental Concerns: The global shift towards environmental consciousness has intensified the demand for pellistor bead chemical sensors. Industries are increasingly adopting these sensors to monitor and control emissions, contributing significantly to reducing their carbon footprint. This eco-friendly approach not only aligns with global sustainability goals but also opens up lucrative opportunities for market growth.

Restraint

Cost Implications: While the market is poised for exponential growth, the cost of implementing pellistor bead chemical sensors can be a restraining factor. High initial investment, maintenance costs, and the need for skilled personnel to operate these advanced sensors can pose challenges for smaller enterprises. Striking a balance between innovation and cost-effectiveness will be critical in addressing this restraint.

In conclusion, the global pellistor bead chemical sensors industry is on an upward trajectory, set to achieve remarkable milestones in the coming decade. With technological advancements, safety imperatives, and environmental concerns driving its growth, the industry is poised to shape a safer, more sustainable future. Nevertheless, stakeholders must remain vigilant in managing cost implications to ensure equitable market access for all players, regardless of their size.

Browse Full Report Here:

 Dynamic Competitive Landscape

In the global pellistor bead chemical sensors market, prominent operators and enterprises are vigorously channeling resources into research and development endeavors, striving to usher in a new era of enhanced offerings. Their overarching objective is to introduce novel sensors distinguished by heightened selectivity and superior durability.

This industry, characterized by its fiercely competitive nature, hosts a multitude of manufacturers and suppliers, each with a global footprint. These industry leaders, cognizant of the imperative to maintain a competitive advantage, steadfastly pursue avenues of innovation through technological breakthroughs, strategic alliances, and product differentiation strategies.

For instance,

In a Prominent Move in March 2025, Zebra unveiled an innovative supply chain sensor ecosystem. The ZS300 environmental sensor, purpose-built for sectors such as food, healthcare, and pharmaceuticals, underscores the brand’s commitment to staying at the vanguard of technological evolution.

Key Companies Profiled

  • ABB Group
  • AirTest Technologies, Inc.
  • Alpha MOS France
  • Digital Control Systems, Inc.
  • Halma PLC ABB Group
  • AirTest Technologies, Inc.
  • Alpha MOS France
  • Digital Control Systems, Inc.
  • Halma PLC

Latest Electrical & Heavy Machinery Reports

Pellistor Bead Chemical Sensors Market Outlook by Category

Component:

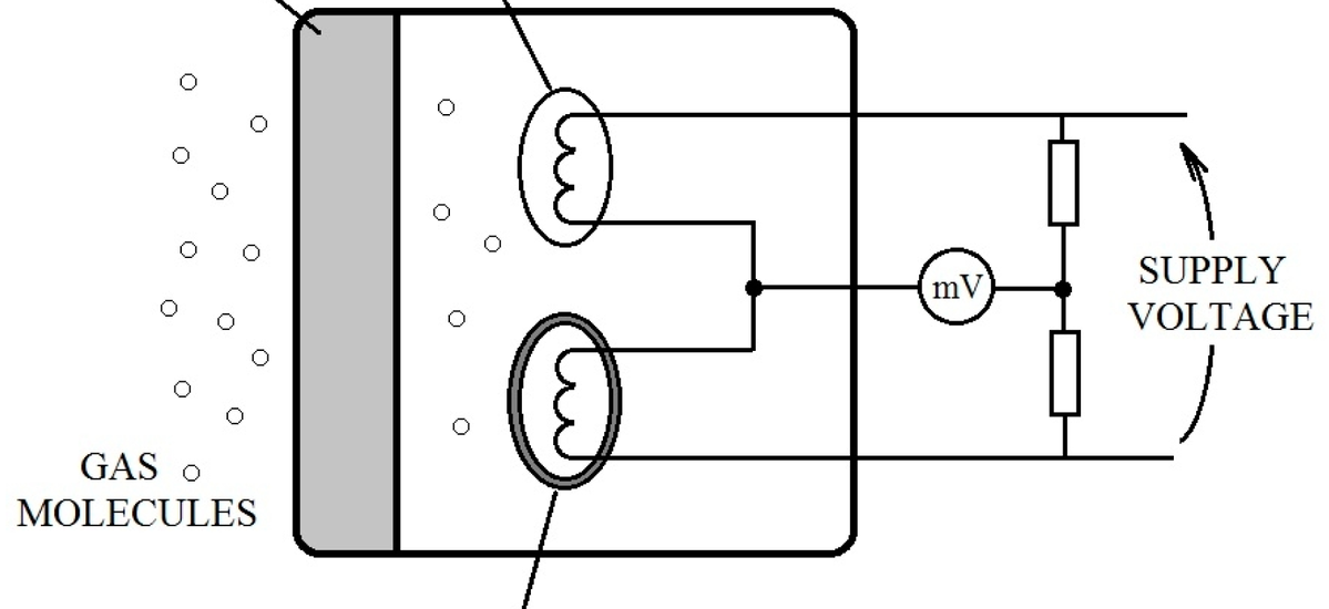
  • Detector
  • Compensator

End-use Industry:

  • Healthcare
  • Automotive
  • Industrial
  • Environmental Monitoring
  • Defense
  • Others

Buy Now Report Here

About Future Market Insights (FMI)

Future Market Insights, Inc. (ESOMAR certified, recipient of the Stevie Award, and a member of the Greater New York Chamber of Commerce) offers profound insights into the driving factors that are boosting demand in the market. FMI stands as the leading global provider of market intelligence, advisory services, consulting, and events for the Packaging, Food and Beverage, Consumer Technology, Healthcare, Industrial, and Chemicals markets. With a vast team of over 400 analysts worldwide, FMI provides global, regional, and local expertise on diverse domains and industry trends across more than 110 countries.

Join us as we commemorate 10 years of delivering trusted market insights. Reflecting on a decade of achievements, we continue to lead with integrity, innovation, and expertise.

Contact Us:       

Future Market Insights Inc.
Christiana Corporate, 200 Continental Drive,
Suite 401, Newark, Delaware – 19713, USA
T: +1-347-918-3531
For Sales Enquiries: sales@futuremarketinsights.com
Website: https://www.futuremarketinsights.com
LinkedInTwitterBlogs | YouTube

About the Author

Nikhil Kaitwade

Associate Vice President at Future Market Insights, Inc. has over a decade of experience in market research and business consulting. He has successfully delivered 1500+ client assignments, predominantly in Automotive, Chemicals, Industrial Equipment, Oil & Gas, and Service industries.
His core competency circles around developing research methodology, creating a unique analysis framework, statistical data models for pricing analysis, competition mapping, and market feasibility analysis. His expertise also extends wide and beyond analysis, advising clients on identifying growth potential in established and niche market segments, investment/divestment decisions, and market entry decision-making.
Nikhil holds an MBA degree in Marketing and IT and a Graduate in Mechanical Engineering. Nikhil has authored several publications and quoted in journals like EMS Now, EPR Magazine, and EE Times.

Leave a Reply

Your email address will not be published. Required fields are marked *

You may also like these