Pellistor Bead Chemical Sensors Market: 4.5% CAGR and US$ 8 Billion Projected by 2033

Pellistor Bead Chemical Sensors Market

The pellistor bead chemical sensors Market report, unveiled by Future Market Insights—an ESOMAR Certified Market Research and Consulting Firm—presents invaluable insights and meticulous analysis of the pellistor bead chemical sensors market. Encompassing the research’s scope and essence, this report scrupulously examines the driving factors, market size, and predictive data for pellistor bead chemical sensors. It furnishes intricate revenue and shipment segmentations, accompanied by a decade-long projection up to 2033. Additionally, the document evaluates key industry players, their market distribution, the competitive scenario, and regional perspectives.

In the fast-evolving landscape of the global pellistor bead chemical sensors industry, experts project an impressive valuation of US$ 5.1 billion by the year 2023. A relentless drive towards innovation and efficiency is expected to fuel this sector, propelling it to even greater heights, with estimations soaring above US$ 8 billion by 2033. This remarkable journey towards growth is anticipated to be marked by a steady upward trajectory, boasting a robust Compound Annual Growth Rate (CAGR) of 4.5% during the forecast period spanning from 2023 to 2033.

Driving Factors

Advancements in Technology: The relentless march of technology remains one of the primary drivers of the pellistor bead chemical sensors industry. Pioneering research and development initiatives have led to the creation of cutting-edge sensor technologies that are not only highly sensitive but also remarkably selective in detecting a wide array of gases. This technological prowess enhances safety, reduces operational risks, and augments industrial processes, thus igniting the market’s growth.

Safety First: As industries worldwide prioritize safety measures, the demand for pellistor bead chemical sensors has witnessed an upsurge. These sensors are instrumental in detecting potentially hazardous gases, thereby mitigating risks and safeguarding human lives. In an era marked by stringent safety regulations, businesses across sectors are investing in advanced sensor technologies, stimulating market expansion.

Obtain a Competitive Advantage in the Market: Access a Comprehensive Market Analysis and Stay Ahead of Industry Trends – Request Our Sample Now
https://www.futuremarketinsights.com/reports/sample/rep-gb-17498

Environmental Concerns: The global shift towards environmental consciousness has intensified the demand for pellistor bead chemical sensors. Industries are increasingly adopting these sensors to monitor and control emissions, contributing significantly to reducing their carbon footprint. This eco-friendly approach not only aligns with global sustainability goals but also opens up lucrative opportunities for market growth.

Restraint

Cost Implications: While the market is poised for exponential growth, the cost of implementing pellistor bead chemical sensors can be a restraining factor. High initial investment, maintenance costs, and the need for skilled personnel to operate these advanced sensors can pose challenges for smaller enterprises. Striking a balance between innovation and cost-effectiveness will be critical in addressing this restraint.

In conclusion, the global pellistor bead chemical sensors industry is on an upward trajectory, set to achieve remarkable milestones in the coming decade. With technological advancements, safety imperatives, and environmental concerns driving its growth, the industry is poised to shape a safer, more sustainable future. Nevertheless, stakeholders must remain vigilant in managing cost implications to ensure equitable market access for all players, regardless of their size.

Dynamic Competitive Landscape

In the global pellistor bead chemical sensors market, prominent operators and enterprises are vigorously channeling resources into research and development endeavors, striving to usher in a new era of enhanced offerings. Their overarching objective is to introduce novel sensors distinguished by heightened selectivity and superior durability.

This industry, characterized by its fiercely competitive nature, hosts a multitude of manufacturers and suppliers, each with a global footprint. These industry leaders, cognizant of the imperative to maintain a competitive advantage, steadfastly pursue avenues of innovation through technological breakthroughs, strategic alliances, and product differentiation strategies.

For instance,

In a Prominent Move in March 2023, Zebra unveiled an innovative supply chain sensor ecosystem. The ZS300 environmental sensor, purpose-built for sectors such as food, healthcare, and pharmaceuticals, underscores the brand’s commitment to staying at the vanguard of technological evolution.

Looking for Assistance in Buying this Report? Contact our Sales Representatives https://www.futuremarketinsights.com/checkout/17498

Key Companies Profiled

  • ABB Group
  • AirTest Technologies, Inc.
  • Alpha MOS France
  • Digital Control Systems, Inc.
  • Halma PLC ABB Group
  • AirTest Technologies, Inc.
  • Alpha MOS France
  • Digital Control Systems, Inc.
  • Halma PLC

Pellistor Bead Chemical Sensors Market Outlook by Category

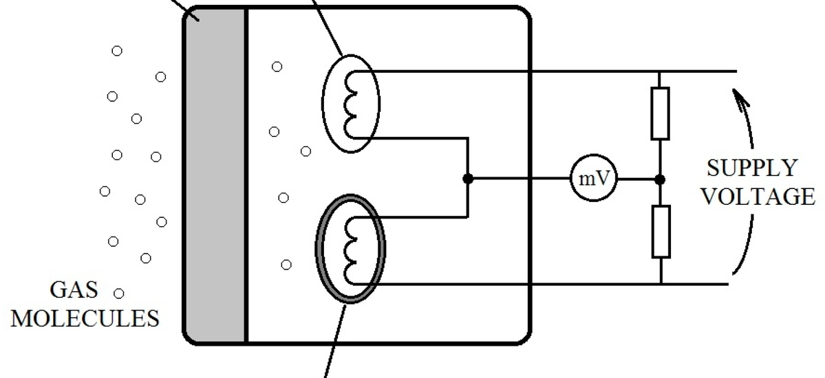
Component:

  • Detector
  • Compensator

End-use Industry:

  • Healthcare
  • Automotive
  • Industrial
  • Environmental Monitoring
  • Defense
  • Others

Explore Tailored Approaches to Foster Growth in the Pellistor Bead Chemical Sensors Market: Elevate Your Expertise
https://www.futuremarketinsights.com/customization-available/rep-gb-17498

About Future Market Insights (FMI)

Future Market Insights, Inc. (ESOMAR certified, Stevie Award – recipient market research organization and a member of Greater New York Chamber of Commerce) provides in-depth insights into governing factors elevating the demand in the market. It discloses opportunities that will favor the market growth in various segments on the basis of Source, Application, Sales Channel and End Use over the next 10-years.

Contact Us:

Future Market Insights Inc.
Christiana Corporate, 200 Continental Drive,
Suite 401, Newark, Delaware – 19713, USA
T: +1-845-579-5705
LinkedInTwitterBlogs | YouTube
For Sales Enquiries: sales@futuremarketinsights.com

About the Author

Nikhil Kaitwade

Associate Vice President at Future Market Insights, Inc. has over a decade of experience in market research and business consulting. He has successfully delivered 1500+ client assignments, predominantly in Automotive, Chemicals, Industrial Equipment, Oil & Gas, and Service industries.
His core competency circles around developing research methodology, creating a unique analysis framework, statistical data models for pricing analysis, competition mapping, and market feasibility analysis. His expertise also extends wide and beyond analysis, advising clients on identifying growth potential in established and niche market segments, investment/divestment decisions, and market entry decision-making.
Nikhil holds an MBA degree in Marketing and IT and a Graduate in Mechanical Engineering. Nikhil has authored several publications and quoted in journals like EMS Now, EPR Magazine, and EE Times.

Leave a Reply

Your email address will not be published. Required fields are marked *

You may also like these